Каминная вставка-инсерт Spartherm Linear Kassette L 800, изготовленная из высококачественной стали и футерованная вермикулитом - это подовая каминная кассета, которая облагородит ваш старый камин, подарит ему вторую молодость и превратит в эффективный источник энергии. Все в кассетах Spartherm – от технической до эстетической стороны – соответствует требованиям к продукции премиум-класса и распространенному представлению о немецком качестве. Оснащенная системой "чистое стекло" и вторичным дожигом, вставка Spartherm Linear Kassette сделает дом уютнее и теплее, а интерьеру придаст неповторимый элегантный вид.

Особенности Spartherm Linear Kassette L 800:
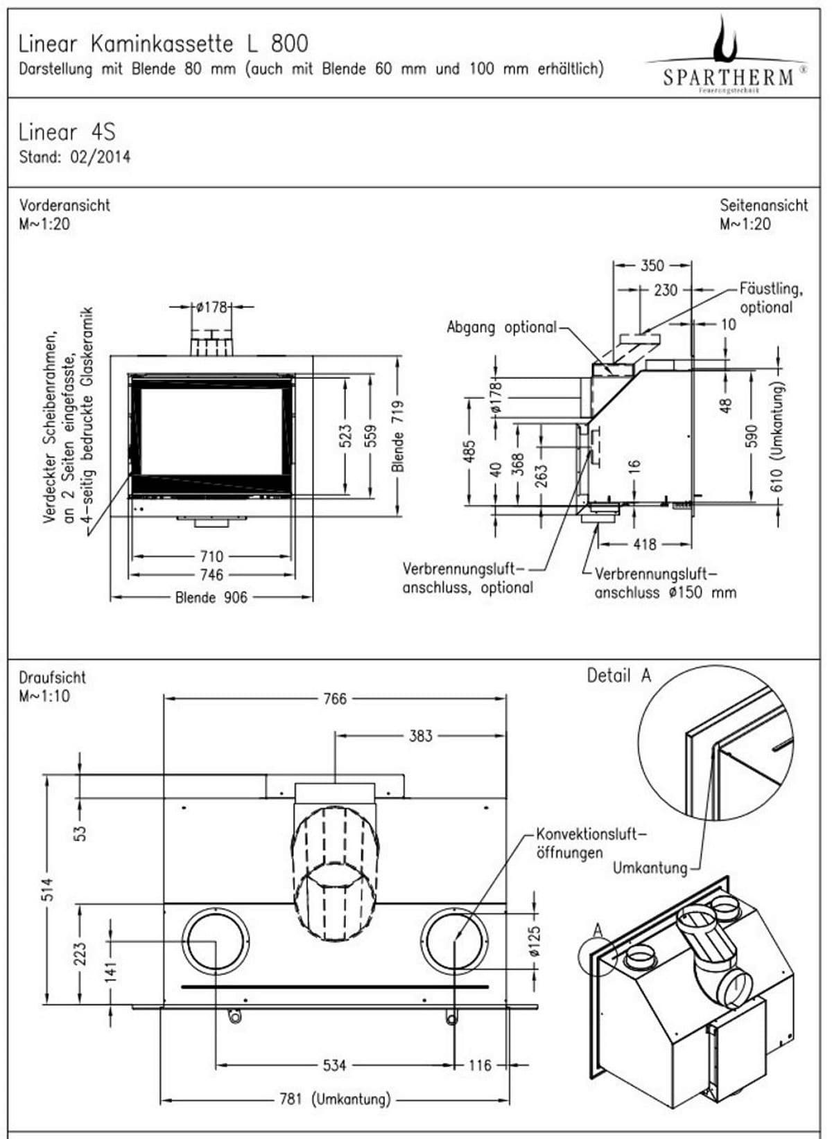
- Огнеупорная стеклокерамика SCHOTT с принтингом по периметру
- Скрытая ручка дверцы и рычаг управления первичным и вторичным дожигом
- Возможна установка регулируемого вентилятора для осуществления принудительной конвекции
- Надежный запирающий механизм

Изюминка с пропорциями золотого сечения. Наша линейная кассета L 800сочетает в себе совершенство пропорций с безопасностью современнойкамеры сгорания. Приятно, когда можно и то, и другое.
Каминная вставка Spartherm Linear Kassette L 800 в интерьере:


Видео Каминная вставка Spartherm Linear Kassette L 800
| Вес | 131 кг |
| Виды твердого топлива | Твердое |
| Водяной контур | Нет |
| Гарантийный срок | 5 лет |
| Глубина | 514 мм |
| Диаметр дымохода | 180 мм |
| Количество стекол в дверце | 1 |
| Коэффициент полезного действия | 80 % |
| Мощность номинальная | 7,9 кВт |
| Наличие шибера | Нет |
| Подключение к дымоходу | Верхнее |
| Производитель | Spartherm |
| Система очистки стекла | Обдув стекла потоком воздуха |
| Способ открытия дверцы топки | в сторону |
| Страна производитель | Германия |
| Форма стекла топки | Прямое |
| Ширина | 906 мм |
| Высота | 719 мм |
| Материал топки | сталь, шамот |















