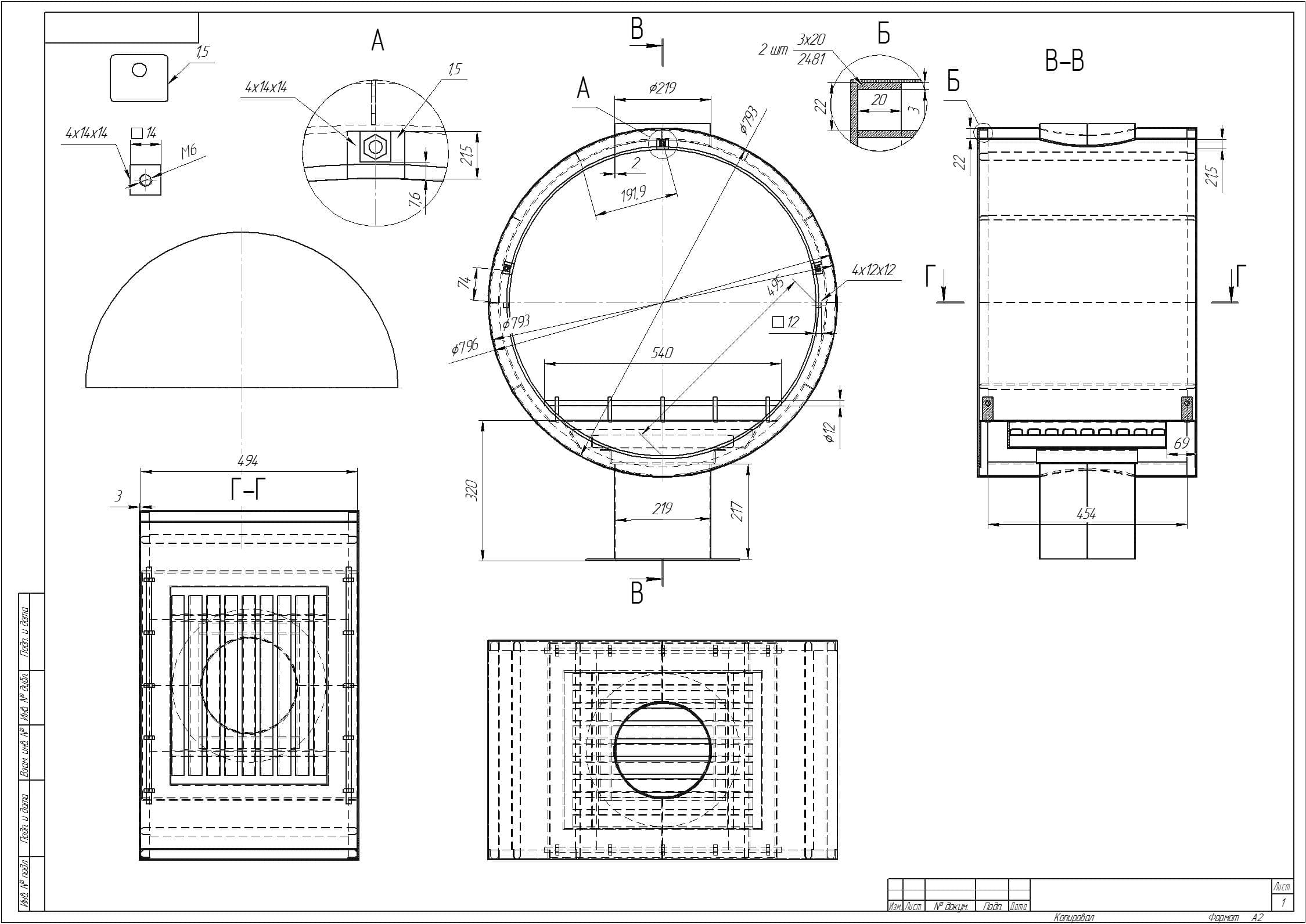
Островной камин LOFT - 30 на дровах с двумя дверцами.
Камин выполнен из высококачественной стали и огнеупорного стекла.
Двусторонний обзорный камин LOFT-30 смотрится необычно и стильно, дает прекрасный обзор на горящее пламя.
Имеет две дверцы. Для остекления используется немецкое огнеупорное и жаропрочное стекло Robax.
Закладка дров возможна с двух сторон топочной камеры.

Преимущество камина в том, что он может располагаться не только у стены, но и в центре помещения, что делает его еще более привлекательным.
Камин окрашен термостойкой краской 1200 °С. Стоимость индивидуальной покраски рассчитывается отдельно.
В комплект входит дымоход из нержавейки длиной 3м.

Размеры камина LOFT - 30:

При покупке камина рекомендуем покупать вытяжной вентилятор. При установке вытяжки стекло долгое время будет оставаться чистым.

Возможны индивидуальные доработки камина под ваши нужды!
| Высота | 300 см (высота дымохода) |
| Вид топлива | Дрова |
| Диаметр дымохода | 219 мм |
| Материал топки | сталь |
| Информация | Островной камин |











