Печь-камин La Nordica Termorossella Plus Forno DSA 4.0 - итальянская дровяная термопечь.
Маленький и компактный водоподающий камин Termorossella Plus EVO DSA 4.0 мощностью 11 кВт от La Nordica украсит Ваш дом!
Печь имеет высококачественную облицовку из майолики или натурального камня серпентинит. Остальные компоненты изготовлены из эмалированного чугуна.
Это хорошая дровяная печь, которая к тому же долговечна и может обогреть весь дом, подключившись к системе центрального отопления.
Помимо большой камеры сгорания, дровяная печь также имеет просторную духовку.
Обе дверцы имеют керамическое стекло , а в отделении для выпечки также имеется термометр.
Отдельно регулируемые первичный и вторичный воздух обеспечивают оптимальный процесс сгорания.
Особенностью камина является крышка, на которой расположена варочная панель, ее можно использовать для поддержания тепла и приготовления пищи.
Благодаря практичному отсеку для золы вы можете легко удалять остатки горения и хранить припасы в отсеке для дров.
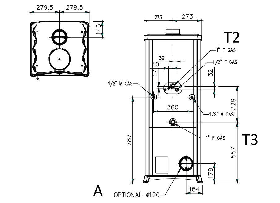
La Nordica Termorossella передает большую часть своей мощности в вашу систему отопления. 8 кВт передаются в контур отопления через теплообменник, а это значит, что камин может поддерживать ваше центральное отопление. Оставшиеся 3,1 кВт используются в качестве энергии со стороны воздуха для обогрева пространства вокруг помещения, где установлена печь. Эта умеренная мощность означает, что вы никогда не рискуете перегреть свою гостиную и по-прежнему можете наслаждаться приятным теплом от камина.

Особенности и преимущества:
- Внешняя отделка фасада майоликой или натуральным камнем
- Дверца, основание и верхняя варочная панель из эмалированного чугуна
- Регуляторы подачи воздуха на первичное горение, в систему дополнительного дожига и для очистки стекла
- Встроенное устройство защиты D.S.A. (клапан DSA опционально)
- Стеклокерамика, устойчивая к высоким температурам до +750°
- Съемный зольник
- Система дожигания для низкого уровня выбросов
- Панорамная эмалированная духовка объемом 37 л


ТЕХНОЛОГИИ:
- Остаточное горение: благодаря специальным регуляторам подачи воздуха на горение, разработанным La Nordica-Extraflame, реализована система дополнительного дожига, способствующая значительному сокращению выбросов.
- Система чистого стекла: система, которая благодаря специальному способу подогрева воздуха эффективно предотвращает образование отложений на стекле дверцы очага.
- Абсолютная герметичность дверцы: оборудование оснащено герметичной дверцей топочной камеры из высококачественного чугуна.
- Автоматическое устройство безопасности): это предохранительное устройство для предупреждения резкого снижения температуры воды в соответствии с действующими нормативами. Клапан DSA опционально.
- Внешний воздухозаборник (ASC) (Особая система соединений, с помощью которой снаружи в устройство подается воздух, а затем выпускается в помещение подогретым
Камин La Nordica TermoRossella Plus Evo DSA 4.0 с водой мощностью 11,1 кВт сочетает в себе высокую производительность и привлекательный внешний вид, что мгновенно создает уютную атмосферу. Эта модель создаст неповторимую атмосферу в вашем жилом пространстве, в которой семья и гости будут чувствовать себя одинаково комфортно и каждый сможет прекрасно отдохнуть.
Видео Печь камин La Nordica Termorossella Plus Forno DSA 4.0
| Высота | 1359 мм |
| Глубина | 538 мм |
| Ширина | 559 мм |
| Варочная поверхность | да |
| Вес | 218 кг/ 242 кг |
| Вид топлива | дрова |
| Водяной контур | да |
| Диаметр дымового патрубка | 130 мм |
| КПД | 88 % |
| Материал топки | чугун |
| Материалы корпуса | керамика/натуральный камень |
| Мощность теплообменника | 8,0 кВт-H2O |
| Номинальная мощность | 11,1 кВт |
| Отапливаемый объём | 318 м3 |
| Подключение к дымоходу | верхнее |
| Расположение печи-камина | Пристенные |
| Расход твердого топлива | 3 кг/ч |
| Производитель | La Nordica (Италия) |


























