Каминная топка Spartherm Premium A-U-70h с трехсторонним стеклом - воплощение настоящего немецкого качества, сочетающая в себе эстетику изысканного дизайна и последние технические разработки в области производства каминного оборудования. По всем параметрам топки Spartherm полностью соответствуют требованиям к продукции премиум-класса и изготавливаются только из высококачественной стали. Камин оснащен бесшумным механизмом подъема дверцы, обеспечивающим полную герметичность топочной камеры, а также системой "чистое стекло" и полностью регулируемой системой вторичного дожига, позволяющей достигать высоких показателей теплоотдачи.

- Топка оснащена одинарным остеклением от лидера мирового рынка SCHOTT, смягчающим излучение тепла в помещение
- Скрытаяручка в сочетании с максимально видной топочной частью создаютнеповторимый облик топки - нет ничего лишнего, что мешало бы насладитьсявидом огня
- Герметичность корпуса достигается отсутствием винтовых и шурупных креплений
- Втопке использованы не требующие технического обслуживания термостойкиеподшипники и шарикоподшипники скользящего трения. Доступ в контргрузовуюшахту возможен через топочную камеру
- Возможно подключение подачи воздуха на горение извне
- Подачавоздуха на первичный и вторичный дожиг регулируется независимо друг отдруга. Вторичный дожиг воздуха в топочной камере обеспечиваетэффективное сжигание с низким уровнем выброса вредных веществ
- Топка оснащена механизмом фиксации дверцы для закладки дров и чистки стекла
- Система самоочистки стекла обеспечивает длительный обзор пламени без помех
- Поворотная колосниковая решетка из высококачественного литого материала, которую легко и просто чистить
- Рычагдля управления воздухом одновременно используется для регулировкиприточного воздуха, вторичного дожига и системы "чистое стекло".Обладает телескопической механикой, минималистичным дизайном и высокойфункциональностью. Для использования регулировки не нужны специальныеинструменты, кроме ключа "холодная рука". Регулировочный рычаг почтинезаметен и не нарушает органичный внешний вид фасада топки
- Дверцаоснащена замком Soft Close, имеющим европейский патент. Жесткие, неподверженные перекосу дверные профили обеспечивают герметичностьтопочной камеры
- Облицовка топочной камеры не чувствительна к ударам, термостойка и обладает превосходными теплоизоляционными качествами
- Регулируемыеножки предназначены для удобного выравнивания топки, имеют подвижныедиски в основании и обеспечивают устойчивое положение топки

Вид с трех сторон придает камину особую глубину. Это дает огнювозможность максимально раскрыть свое очарование. Этот формат каминапомещает огонь в центр комнаты. Сверхглубокий формат идеально подходит вкачестве разделителя комнаты. Особая особенность: опциональнодоступное окно S-ESAM, которое открывается автоматически через смартфон.
Каминная топка Spartherm Premium A-U-70h в интерьере:


Видео Каминная топка Spartherm Premium A-U70h
| Вес | 357 кг |
| Виды твердого топлива | Твердое |
| Водяной контур | Нет |
| Гарантийный срок | 5 лет |
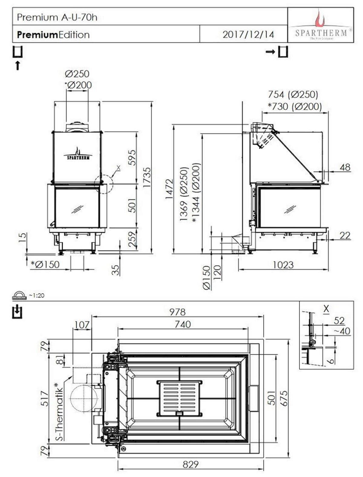
| Глубина | 978 мм |
| Диаметр дымохода | 200 мм |
| Количество стекол в дверце | 3 |
| Коэффициент полезного действия | 80 % |
| Мощность номинальная | 11,4 кВт |
| Наличие шибера | Нет |
| Подключение к дымоходу | Верхнее |
| Производитель | Spartherm |
| Система очистки стекла | Обдув стекла потоком воздуха |
| Способ открытия дверцы топки | Подъём вверх |
| Страна производитель | Германия |
| Форма стекла топки | трехстороннее |
| Ширина | 675 мм |
| Высота | 1472 мм |
| Материал топки | сталь, шамот |

















