Каминная топка Spartherm Arte 3RL-60h с трехсторонним стеклом обладает не только поразительным дизайном, но также соответствует и распространенному представлению о немецком качестве. Всё в этой топке – от технической до эстетической стороны – соответствует требованиям к продукции премиум-класса. Камин оснащен бесшумным подъемным механизмом дверцы, обеспечивающим полную герметичность топочной камеры, а также системой "чистое стекло" и полностью регулируемой системой вторичного дожига, позволяющей достигать высоких показателей теплоотдачи.

Особенности топки Spartherm Arte 3RL-60h:
- Стандартнаяформа оформления с покрытыми черным термостойким лаком деталями дверки.Решение в привычных классических формах. Удобное обслуживание и уход
- Топка оснащена поворотным чугунным дымосборником для индивидуального направления потоков газа
- Современныйдизайн - максимально видная топочная часть. Конструкция дверцывыполнена таким образом, чтобы не мешать восприятию живого огня
- Герметичность корпуса достигается отсутствием винтовых и шурупных креплений
- Втопке использованы не требующие технического обслуживания термостойкиеподшипники и шарикоподшипники скользящего трения. Доступ в контргрузовуюшахту возможен через топочную камеру
- Возможно подключение подачи воздуха на горение извне
- Подачавоздуха на первичный и вторичный дожиг регулируется независимо друг отдруга. Вторичный дожиг воздуха в топочной камере обеспечиваетэффективное сжигание с низким уровнем выброса вредных веществ
- Топка оснащена механизмом фиксации дверцы для закладки дров и чистки стекла
- Топкаимеет одинарное остекление стеклокерамикой высокой температурнойстойкости от лидера мирового рынка SCHOTT. Инфракрасное покрытыеобеспечивает защиту от вредного спектра излучения
- Система самоочистки стекла обеспечивает длительный обзор пламени без помех
- Поворотная колосниковая решетка из высококачественного литого материала, которую легко и просто чистить
- Рычагдля управления воздухом одновременно используется для регулировкиприточного воздуха, вторичного дожига и системы "чистое стекло".Обладает телескопической механикой, минималистичным дизайном и высокойфункциональностью. Для использования регулировки не нужны специальныеинструменты, кроме ключа "холодная рука". Регулировочный рычаг почтинезаметен и не нарушает органичный внешний вид фасада топки
- Подъемная рукоятка красивой и удобной формы выполнена из нержавеющей стали
- Дверцаоснащена замком Soft Close, имеющим европейский патент. Жесткие, неподверженные перекосу дверные профили обеспечивают герметичностьтопочной камеры
- Облицовка топочной камеры не чувствительна к ударам, термостойка и обладает превосходными теплоизоляционными качествами
- Регулируемыеножки предназначены для удобного выравнивания топки, имеют подвижныедиски в основании и обеспечивают устойчивое положение топки

Вы можете выбрать камин своей мечты из трех моделей, которые свободнопередают очарование огня со всех сторон в комнате. Пламя погружает всесвое окружение в теплую и завораживающую игру света. Ощутите огонь вовсей его пространственности. Даже для этих экстремальных форматов выможете использовать механизм электрического стеклоподъемника (S-ESAM),чтобы открыть его.

Каминная топка Spartherm Arte 3RL-60h в интерьере:


Видео Каминная топка Spartherm Arte 3RL-60h
| Вес | 292 кг |
| Виды твердого топлива | Твердое |
| Водяной контур | Нет |
| Гарантийный срок | 5 лет |
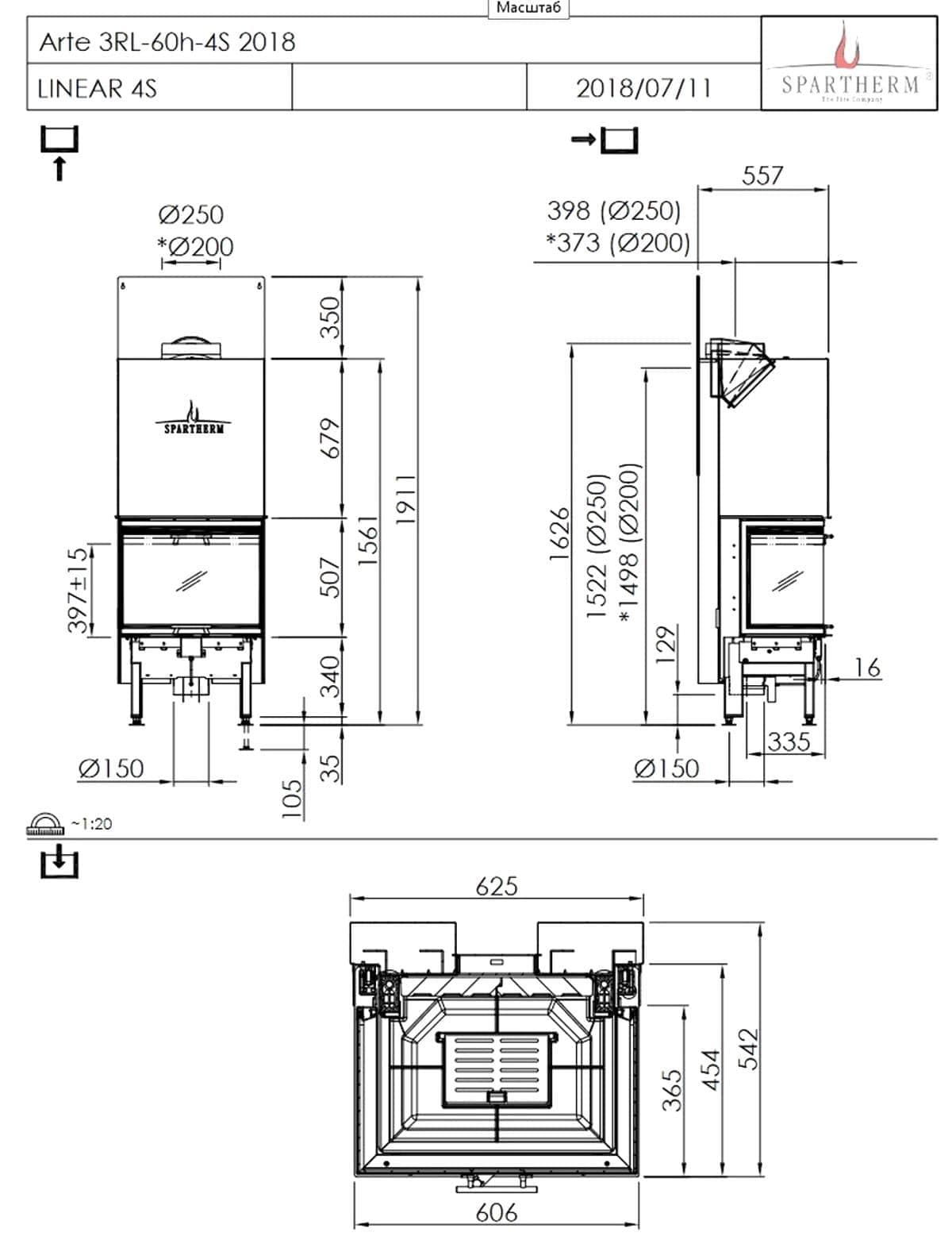
| Глубина | 577 мм |
| Диаметр дымохода | 200 мм |
| Количество стекол в дверце | 3 |
| Коэффициент полезного действия | 80 % |
| Мощность номинальная | 7,5 кВт |
| Наличие шибера | Нет |
| Подключение к дымоходу | Верхнее |
| Производитель | Spartherm |
| Система очистки стекла | Обдув стекла потоком воздуха |
| Способ открытия дверцы топки | Подъём вверх |
| Страна производитель | Германия |
| Форма стекла топки | трехстороннее |
| Ширина | 625 мм |
| Высота | 1626 мм |
| Материал топки | сталь, шамот |
















