Описание Hoxter UKA 35/60/35/50Sh
Каминная топка изготовлена из стали, изделие можно использовать длясоздания теплоемких облицовок, также имеется возможность подключениясистемы управления горением.
В дополнительных опциях Вы можете подобратьаксессуары для вашей топки и дымохода, или же заказать двойноеостекление для уменьшения теплового излучения через стекло.
Мощность - 5-12 кВт;
Эффективность 80%;
Расшифровка названия продукта:
HAKA - топка с прямым стеклом.
ECKA - топка с угловым стеклом.
UKA - топка с П-образным стеклом.
GT - печная дверца.
GT2 - печная дверца с основанием.
WHE - водонагревательная топка.
h - подъёмная дверца.
S - топка с уменьшенной глубиной.
T - камин туннельный.
a - дополнительная растопочная дверца.
G - камин с большей камерой сгорания.
N - керамическая камера дожига.
ks - печные дверцы с уменьшенной глубиной.
Цена указана за модель UKA 35/60/35/50Sh с чугунным дымосборником и одинарным остеклением без дополнительных опций.
Каминная топка Hoxter UKA 35/60/35/50Sh в интерьере
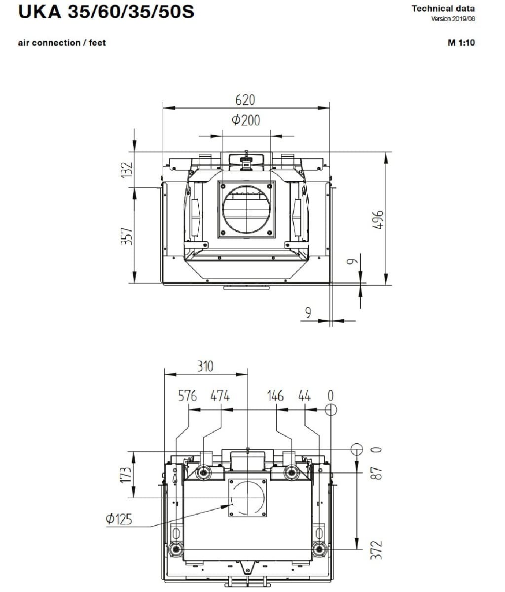
Габаритные размеры Каминная топка UKA 35/60/35/50Sh
Видео Каминная топка Hoxter UKA 35/60/35/50Sh
| Вес | 350 кг |
| Виды твердого топлива | Дрова |
| Водяной контур | Нет |
| Вторичный дожиг | Да |
| Гарантийный срок | 5 лет |
| Глубина | 496 мм |
| Наличие шибера | Нет |
| Подключение к дымоходу | Верхнее |
| Подъем стекла вверх | Да |
| Производитель | Hoxter |
| Система очистки стекла | Да |
| Страна производитель | Чехия |
| Тип остекления | 3 стекла |
| Ширина | 666 мм |
| Высота | 1141 мм |
| Материал топки | Сталь |
| Мощность печи | 5 - 12 кВт |






















