Уточняйте цену
Скидки постоянным клиентам!
Гарантия качества всех товаров магазина!
Бесплатная доставка товаров от 200 рублей!
Предлагаем комплексное решение по комплектации бань (дровяными и электрическими печами), загородных домов и квартир (дровяными, био, электрическими каминами)
Описание Hoxter HAKA 78/57Wh
Мощность - 10 -24 кВт;
Эффективность 80%;
Расшифровка названия продукта:
HAKA - топка с прямым стеклом.
ECKA - топка с угловым стеклом.
UKA - топка с П-образным стеклом.
GT - печная дверца.
GT2 - печная дверца с основанием.
WHE - водонагревательная топка.
h - подъёмная дверца.
S - топка с уменьшенной глубиной.
T - камин туннельный.
a - дополнительная растопочная дверца.
G - камин с большей камерой сгорания.
N - керамическая камера дожига.
ks - печные дверцы с уменьшенной глубиной.
Цена указана за модель HAKA 78/57Wh с чугунным дымосборником и одинарным остеклением без дополнительных опций.
Каминная топка Hoxter HAKA 78/57Wh в интерьере
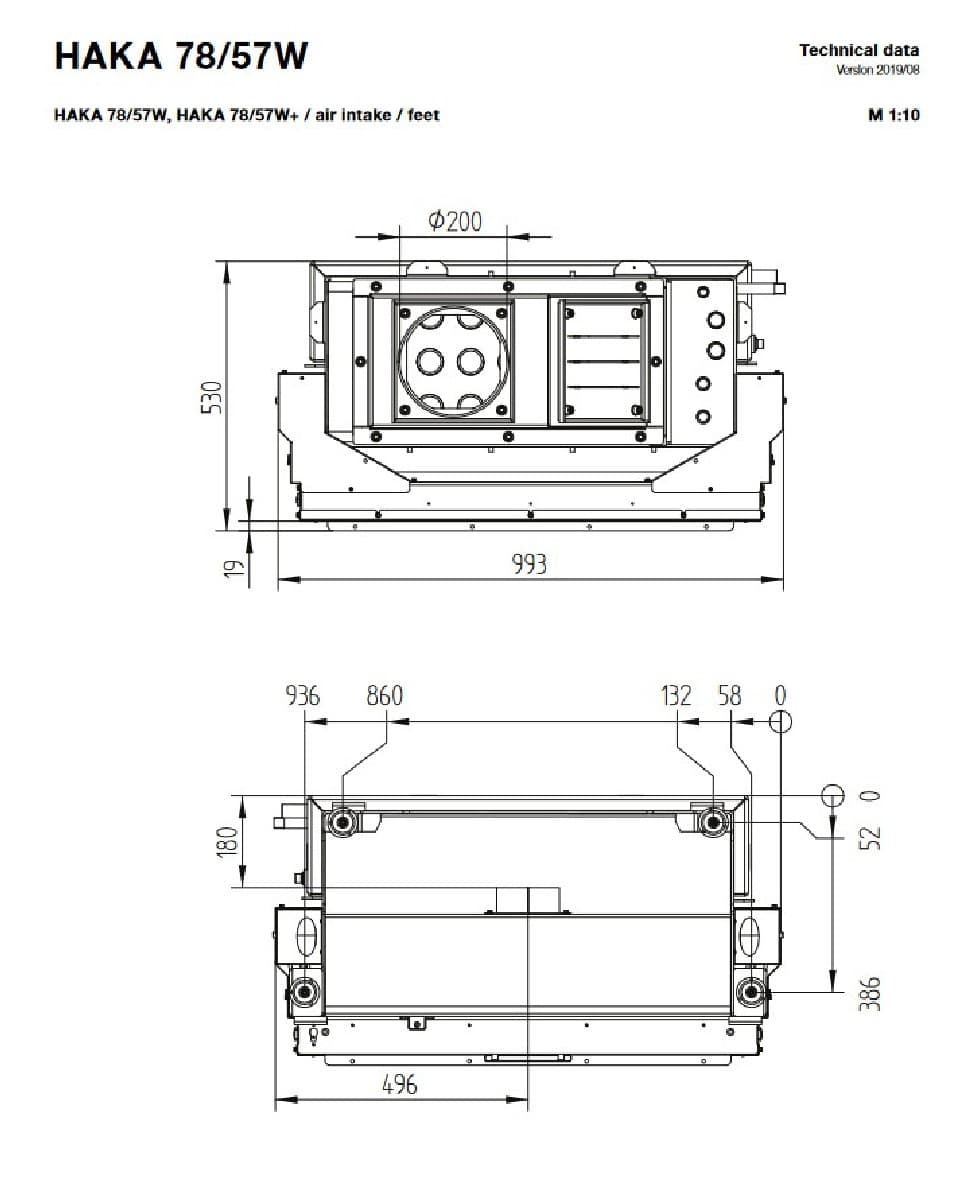
Габаритные размеры Каминная топка HAKA 78/57Wh
Видео Каминная топка Hoxter HAKA 78/57Wh
| Вес | 558 кг |
| Виды твердого топлива | Дрова |
| Водяной контур | Да |
| Вторичный дожиг | Да |
| Гарантийный срок | 5 лет |
| Глубина | 530 мм |
| Наличие шибера | Нет |
| Подключение к дымоходу | Верхнее |
| Подъем стекла вверх | Да |
| Производитель | Hoxter |
| Система очистки стекла | Да |
| Страна производитель | Чехия |
| Тип остекления | Прямое |
| Ширина | 933 мм |
| Высота | 1594 мм |
| Материал топки | Сталь |
| Мощность печи | 10 - 24 кВт |
Нет отзывов об этом товаре.







































