Описание Hoxter HAKA 37/50G(N)
Каминная топка изготовлена из стали, изделие можно использовать длясоздания теплоемких облицовок, также имеется возможность подключениясистемы управления горением.
В дополнительных опциях Вы можете подобратьаксессуары для вашей топки и дымохода, или же заказать двойноеостекление для уменьшения теплового излучения через стекло.
Мощность - 5-12 кВт;
Эффективность 80%;
Расшифровка названия продукта:
HAKA - топка с прямым стеклом.
ECKA - топка с угловым стеклом.
UKA - топка с П-образным стеклом.
GT - печная дверца.
GT2 - печная дверца с основанием.
WHE - водонагревательная топка.
h - подъёмная дверца.
S - топка с уменьшенной глубиной.
T - камин туннельный.
a - дополнительная растопочная дверца.
G - камин с большей камерой сгорания.
N - керамическая камера дожига.
ks - печные дверцы с уменьшенной глубиной.
Цена указана за модель HAKA 37/50G(N) с чугунным дымосборником и одинарным остеклением без дополнительных опций.
Каминная топка Hoxter HAKA 37/50G(N) в интерьере
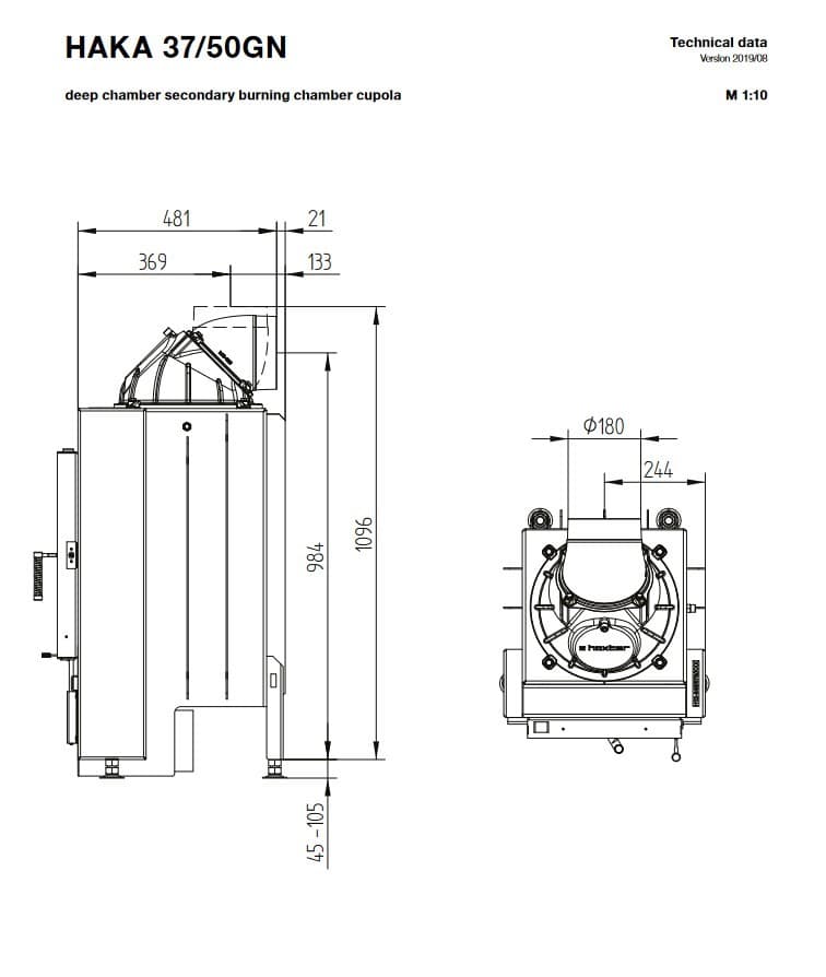
Габаритные размеры Hoxter HAKA 37/50G(N)
Видео Каминная топка Hoxter HAKA 37/50G(N)
| Вес | 158 кг |
| Виды твердого топлива | Дрова |
| Водяной контур | Нет |
| Вторичный дожиг | Да |
| Гарантийный срок | 5 лет |
| Глубина | 488 мм |
| Наличие шибера | Нет |
| Подключение к дымоходу | Верхнее |
| Подъем стекла вверх | Нет |
| Производитель | Hoxter |
| Система очистки стекла | Да |
| Страна производитель | Чехия |
| Тип остекления | Прямое |
| Ширина | 556 мм |
| Высота | 1050 мм |
| Материал топки | Сталь |
| Мощность печи | 6 - 16 кВт |





















































