Каминная топка HoxterKA 67/45/51Lh Левосторонняя - стальная каминная топка с угловым остеклением.
Такой камин станет центром внимания в любом интерьере.
Описание Hoxter ECKA 67/45/51Lh Левосторонняя
Каминная топка изготовлена из высококачественной стали.
Внутренняя футеровка выполнена из шамота. Шамот может быть черного цвета (доп.опция).
Изделие можно использовать для создания теплоемких облицовок, также имеется возможность подключения системы управления горением.
Стекло одинарное угловое левостороннее. Открывание дверцы вверх.
Топка оснащена системой "Чистое стекло", благодаря чему сажа и пыль не оседают на стекло и оно остается чистым долгое время.
Количество подаваемого воздуха в камеру сгорания регулируется без особых усилий с помощью одной ручки, расположенной по центру под дверцей топки.
В топке предусмотрена возможность подачи воздуха извне.
Номинальная тепловая мощность - 8 кВт;
Теплопроизводительность - 8/22 кВт;
Эффективность 80%
Видимые размеры (размеры дверцы установленной топки): 697x515 мм
В дополнительных опциях Вы можете подобрать аксессуары для вашей топки и дымохода, или же заказать двойное остекление для уменьшения теплового излучения через стекло.
Возможные модификации:
- с чугунным дымосборником;
- со стальным теплообменником;
- с теплонакопительными кольцами;
- с внешним теплоаккумулятором;
- с адаптером под аккумулятивные кольца HOXTER.
Расшифровка названия продукта:
HAKA - топка с прямым стеклом.
ECKA - топка с угловым стеклом.
UKA - топка с П-образным стеклом.
GT - печная дверца.
GT2 - печная дверца с основанием.
WHE - водонагревательная топка.
h - подъёмная дверца.
S - топка с уменьшенной глубиной.
T - камин туннельный.
a - дополнительная растопочная дверца.
G - камин с большей камерой сгорания.
N - керамическая камера дожига.
ks - печные дверцы с уменьшенной глубиной.
Каминная топка Hoxter ECKA 67/45/51 в интерьере

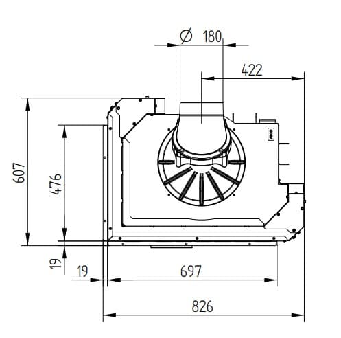
Габаритные размеры Каминная топка ECKA 67/45/51Lh Левосторонняя
Видео Каминная топка Hoxter ECKA 67/45/51Lh Левосторонняя
| Вес | 230 кг |
| Виды твердого топлива | Дрова |
| Водяной контур | Нет |
| Вторичный дожиг | Да |
| Гарантийный срок | 5 лет |
| Глубина | 607 мм |
| Номинальная мощность (кВт) | 8 кВт |
| Подключение к дымоходу | Верхнее |
| Подъем стекла вверх | Да |
| Производитель | Hoxter |
| Система очистки стекла | Да |
| Страна производитель | Чехия |
| Тип остекления | угловое |
| Ширина | 826 мм |
| Высота | 1339 мм |
| Материал топки | Сталь |

















