Газовый камин BRUNNER Panorama 43/75/38/75 обладает мощностью от 2,8 до 8,1 кВт, что обеспечивает эффективный обогрев помещения. Размеры по стеклам двери 43 х 38 х 76 см, что позволяет ему гармонично вписаться в интерьер. Камера сгорания выполнена из черных стальных панелей, предлагается в двух вариантах: бесшовные стальные панели и стеклокерамические черные панели, что придает камину современный и элегантный вид.
Камин оснащен технологией линейного огня, что создает эффектный и равномерный огонь по всей длине. Управление камином осуществляется дистанционно, что делает его использование максимально удобным. BRUNNER Panorama 43/75/38/75 поддерживает два вида топлива: природный и сжиженный газ, что добавляет гибкость в выборе источника энергии.
С точки зрения энергоэффективности, камин маркируется как vA/vW, что свидетельствует о его высокой эффективности. Основное преимущество этого камина — создание уютной и атмосферной обстановки в любом помещении. Он не только служит источником тепла, но и является стильным элементом декора, который привнесет комфорт и роскошь в ваш дом.
Газовый камин Panorama 43/75/38/75 в интерьере

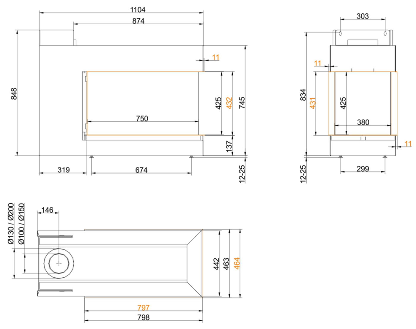
Чертеж газового камина Panorama 43/75/38/75


Видео Газовый камин Panorama 43/75/38/75
| Гарантийный срок | 5 лет | 
| Высота | 834 мм | 
| Глубина | 464 мм | 
| Ширина | 1104 мм | 
| Варочная поверхность | нет | 
| Вес | 158 кг | 
| Вид топлива | газ | 
| Водяной контур | нет | 
| Диаметр дымового патрубка | 130-200 мм | 
| Длительное горение | да | 
| Материалы корпуса | сталь | 
| Мощность печи | 2,8 - 8,1 кВт | 
| Расположение печи-камина | Отдельно стоящее | 
| Производитель | Brunner (Германия) | 








