Газовый камин BRUNNER Panorama 43/45/38/105 обладает мощностью от 7,2 до 10,1 кВт, что обеспечивает эффективный обогрев помещения. Размеры по стеклам двери 43 х 38 х 105 см, что позволяет ему гармонично вписаться в интерьер. Камера сгорания выполнена из черных стальных панелей, предлагается в двух вариантах: бесшовные стальные панели и стеклокерамические черные панели, что придает камину современный и элегантный вид.
Камин оснащен технологией линейного огня, что создает эффектный и равномерный огонь по всей длине. Управление камином осуществляется дистанционно, что делает его использование максимально удобным. BRUNNER Panorama 43/45/38/105 поддерживает два вида топлива: природный и сжиженный газ, что добавляет гибкость в выборе источника энергии.
С точки зрения энергоэффективности, камин маркируется как vA/vW, что свидетельствует о его высокой эффективности. Основное преимущество этого камина — создание уютной и атмосферной обстановки в любом помещении. Он не только служит источником тепла, но и является стильным элементом декора, который привнесет комфорт и роскошь в ваш дом.
Газовый камин Panorama 43/45/38/105 в интерьере

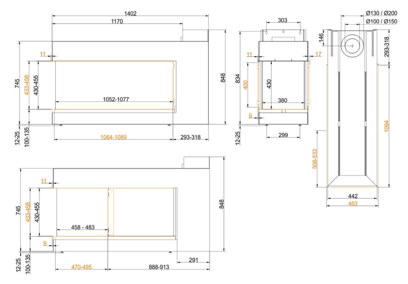
Чертеж газового камина Panorama 43/45/38/105


Видео Газовый камин Panorama 43/45/38/105
| Гарантийный срок | 5 лет |
| Высота | 848 мм |
| Глубина | 463 мм |
| Ширина | 1402 мм |
| Варочная поверхность | нет |
| Вес | 188 кг |
| Вид топлива | газ |
| Водяной контур | нет |
| Диаметр дымового патрубка | 130-200 мм |
| Длительное горение | да |
| Материалы корпуса | сталь |
| Мощность печи | 7,2 - 10,1 кВт |
| Расположение печи-камина | Отдельно стоящее |
| Производитель | Brunner (Германия) |








