Серия Defro Home Intra создана с учетом гармонии между экологией, дизайном и экономичностью. Каминные вставки серии DEFRO HOME INTRA будут отлично работать во время рекреационного отопления и будут успешно обогревать весь дом. Современная конструкция и герметичная печь позволяет использовать ее возможности в пассивных и рекуперационных домах. Авторские решения гарантируют энергосбережение и безотказное использование устройства.

Топка камина отделана специальной керамикой CERAMITON – связка сочетание шамота с бетоном и несколькими другими компонентами. Это чрезвычайно прочный материал, который выдерживает высокие температуры и уменьшает прямое воздействие огня на стенки топки. Вставки комплектуются двумя цветами шамотной керамики: светлой – без пигментации и темной с добавлением натурального красителя - за счет этого цена будет дороже. Выбор отделки топочной камеры делается на выбор, исходя из пожеланий заказчика.
Серия представлена в четырех вариантах в зависимости от размера печи: XSM, SM, ME, LA
Контроллер РТ-08ОМ

ДОП. ОБОРУДОВАНИЕ:
- Один датчик температуры дымовых газов
- Впускная воздушная заслонка (герметичная)
- Монтажная коробка для скрытого монтажа
- Графический дисплей
- Черная керамика
ВОЗМОЖНО ПОДКЛЮЧИТЬ:
- Второй датчик температуры дымовых газов
- Датчик открытой двери
- Датчик угарного газа
- Сервомеханизм дымохода
- Вытяжной вентилятор или генератор тяги
ОСНОВНЫЕ ФУНКЦИИ РЕГУЛЯТОРОВ:
- Плавное управление дросселем - Стабилизация и удлинение процесса сгорания в камине
- Информирование о необходимости добавления топлива
- Профилактика перегрева очага
- Профилактика охлаждения очага после отделочных работ
- Связь с датчиком угарного газа
- Связь с датчиком двери
- Память на случай сбоя питания
- Аварийное открытие дросселя в случае сбоя питания
- Соединение с сервоприводом заслонки дымохода (например, заслонка Морица)
- Соединение с внешним устройством
Контроллер РТ-08ОМ График

ДОП. ОБОРУДОВАНИЕ:
- Один датчик температуры дымовых газов
- Впускная воздушная заслонка (герметичная)
- Монтажная коробка для скрытого монтажа
- Графический дисплей
- Черная керамика
ВОЗМОЖНО ПОДКЛЮЧИТЬ:
- Второй датчик температуры дымовых газов
- Датчик открытой двери
- Датчик угарного газа
- Сервомеханизм дымохода
- Вытяжной вентилятор или генератор тяги
- Плавное управление дросселем - Стабилизация и удлинение процесса сгорания в камине
- Информирование о необходимости добавления топлива
- Профилактика перегрева очага
- Профилактика охлаждения очага после отделочных работ
- Связь с датчиком угарного газа
- Связь с датчиком двери
- Память на случай сбоя питания
- Аварийное открытие дросселя в случае сбоя питания
- Связь с сервоприводом заслонки дымохода (например, заслонка Морица)
- Соединение с внешним устройством
ОСНОВНЫЕ ФУНКЦИИ РЕГУЛЯТОРОВ:

Посмотреть и купить каминную топку DEFRO HOME INTRA XSM польского производства можно в нашем магазине ПЕЧИБАНИ.
Видео Каминная топка DEFRO HOME INTRA SM
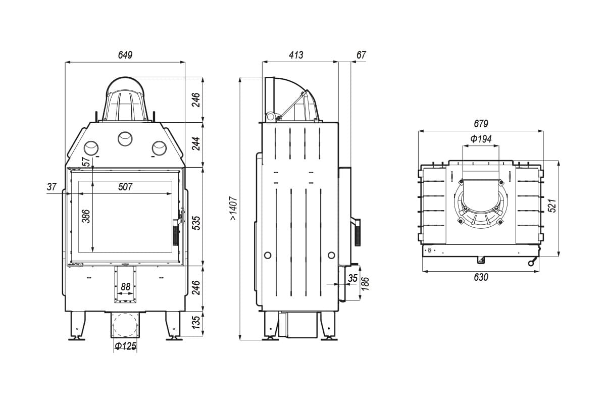
| Внешний размер | 1407x649x480 мм |
| КПД | 80,1 % |
| Номинальная мощность | 10 кВт |
| Отапливаемая площадь | 45-145 м2 |
| Стекло | прямое |
| Диаметр подключения дымохода | 200 мм |
| Вес товара | 200 кг |









